
- VK-BR მინის ბოთლების სარეცხი მანქანა
- VK-PF ზეთის შემავსებელი მანქანა 4 თავი
- VK-VC ვაკუუმის დაფარვის მანქანა
- VK-RPL მრგვალი ბოთლების ეტიკეტირების მანქანა
სრულად ავტომატური შევსების ხაზი შეიძლება მორგებული იყოს მომხმარებლის მოთხოვნებისა და მყიდველის მიერ შემოთავაზებული ნიმუშების მიხედვით. როგორც ქვემოთ მოცემულია ძირითადი ინფორმაცია კვების მრეწველობის ამ სრულად ავტომატური შევსების ხაზისთვის:
შუშის ბოთლების საჰაერო სარეცხი მანქანა ვაკუუმ სარეცხი მოწყობილობა
ეს არის ავტომატური ბოთლის საჰაერო სარეცხი მანქანა. სიმძლავრე დამოკიდებულია ჰაერის სარეცხი საქშენებზე.
ჰაერის კომპრესორი ატარებს ჰაერს ვაკუუმის კონტეინერში, გაზი გაწმენდილია სოლენოიდის სარქველით და იონის გენერატორი, ტრაქეალური აირის შამპუნი აფრქვევს გაზს ბოთლებში გაზის სარეცხი პირით, აფრქვევს უცხოს გაზის სარეცხი პირიდან გაზის წნევით. უკანა ტრაქეის გამონაბოლქვი გაზი გარედან ემისიის კონტროლის მეშვეობით.

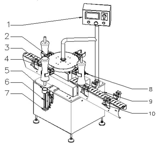
| 1 | მართვის პანელი | 2 | ბოთლები |
| 3 | ქამარი ბოთლების კვებისათვის | 4 | ბოთლის კვების სენსორი |
| 5 | ბოთლების დასამაგრებელი სტრუქტურა | 6 | გამრეცხი ინჟეტი |
| 7 | ელექტროსტატიკური Tuyere | 8 | ბოთლების დამაგრების წერტილი |
| 9 | ქამარი ბოთლების გამოსაყვანად | 10 | სახელმძღვანელო ბარი |
ავტომატური მბრუნავი ჰაერის სარეცხი მანქანის ძირითადი პარამეტრი შუშის ბოთლებისთვის:

მოდელი: VK-BR
ბოთლში მორგება: 20-1000 მლ
წარმოების სიმძლავრე: 8 საწმენდი საქშენი: 3600~4800bh
ჰაერის წნევის დიაპაზონი: 6~8 კგ/სმ2
ჰაერის მოხმარება: 25მ3/სთ
კვების ბლოკი: 220V 50/60Hz
ენერგიის მოხმარება: 0.75 კვტ
ერთი მანქანის ხმაური: ≤70dB
გაწმენდილი ჰაერი: 0.2μm
დასუფთავების დრო: 3-5 წმ
წმინდა წონა: 350 კგ
საერთო ზომები: 1200 x 800 x 1600 მმ
ზეთის შემავსებელი მანქანა 4 თავიანი ხაზოვანი შემავსებელი

4 თავი ზეთისხილის შემავსებელი მანქანა, რომელსაც აკონტროლებს მიკროკომპიუტერი, აერთიანებს ფოტოელექტროენერგიას პნევმატურ მუშაობასთან, რითაც ფართოდ გამოიყენება სოფლის მეურნეობის ქიმიური, ხსნარის, თხევადი სარეცხი, კოსმეტიკური და ზეთისხილის თხევადი შევსებისთვის.
შევსების მოცულობა ზუსტი, ქაფის გარეშე და სტაბილურია. მანქანას შეუძლია სითხის შევსება 25-1000მლ დიაპაზონში, ამავდროულად, ბოთლების ფორმებზე განსაკუთრებული მოთხოვნა არ არის. ანუ, მას შეუძლია შეავსოს სითხე როგორც ჩვეულებრივი ბოთლისთვის, ასევე ირუგულას ფორმის ბოთლებისთვის.

მოდელი: VK-PF
შევსების დიაპაზონი: 50-3000 მლ
შევსების სიჩქარე: <20-30b/m (500-1000 მლ სითხეზე)
სიზუსტე: ±1%
სიმძლავრე/მომარაგების სიმძლავრე: 0,8 კვტ, 220 ვ
სამუშაო წნევა: 5-6 კგ/სმ3
ჰაერის მოხმარება: 0,5-0,7მპა
NW: 500 კგ
გარე ზომა: 2000×800×1900 მმ
მონიშნე: შემავსებელი საქშენები შეიძლება შეიქმნას და დამზადდეს მომხმარებელთა მოთხოვნების შესაბამისად შევსების დიაპაზონისა და შევსების სიჩქარის შესახებ
ხაზოვანი ვაკუუმური დაფარვის მანქანა Vk-Vc ქილების კაპერის აღჭურვილობა:
ეს ხაზოვანი დაფარვის მანქანა არის გამოკვლეული და შემუშავებული ჩვენი კომპანიის მიერ მრავალწლიანი გამოცდილებით, ის უნიკალურია საშინაო პირობებში. ინტეგრირებული ავტომატურად თავსახურის მოწყობა საფარით, ვაკუუმური საფარით.
მიღებული ხელით ვაკუუმის ტუმბო მაღალი ვაკუუმის მისაღწევად. ბოთლის გარეშე საფარის ფუნქციით, საგანგაშო, როდესაც თავსახური არ არის ხელმისაწვდომი. სარგებლობდა მაღალი ავტომატიზაციით. ძირითადი პნევმატური და ელექტრო ნაწილები მსოფლიოში ცნობილი ბრენდებისგანაა.
სტაბილური და საიმედო შესრულებით. იგი ფართოდ გამოიყენება შუშის ქილების ვაკუუმური დასაფარად რკინის თავსახურებით დაკონსერვებული საკვების, სასმელების, სუნელების, ჯანდაცვის პროდუქტების და ა.შ.

სიმძლავრე: ≤2.3KW (ვაკუუმის ტუმბოს ჩათვლით)
წარმოების მოცულობა: 50-60BPM
თავსახურის დიამეტრი: 30-55 მმ 50-85 მმ
ბოთლის სიმაღლე: 80-250 მმ
ბოთლის დიამეტრი: 30-85 მმ
მაქსიმალური ვაკუუმი: -0.08 მპა
დაფარვის ტორსიონი: 5-20N.M
ჰაერის მოხმარება: 0.6M3/0.7Mpa
მანქანის ზომები: დაახლოებით 3000×1000×1900მმ
წონა: დაახლოებით 850 კგ
Vk-Rpl მრგვალი ბოთლების ქილების მარკირების მანქანა

განაცხადი: მოითხოვეთ მემბრანაზე მიმაგრებული ეტიკეტის ან პროდუქტის წრეწირის ზედაპირი.
მრეწველობა: ფართოდ გამოიყენება კვების, მედიცინის, კოსმეტიკური, კოსმეტიკური, ელექტრონული, ლითონის, პლასტმასის და სხვა ინდუსტრიებში.
განაცხადი: PET მრგვალი ბოთლის მარკირება, პლასტმასის ბოთლების ეტიკეტირება, დაკონსერვებული საკვები და ა.შ.

შესაფერისი ეტიკეტის სიგრძე (მმ): 20 მმ ~ 314 მმ
გამოსაყენებელი ეტიკეტის სიგანე (საყრდენი ქაღალდის სიგანე / მმ): 15 მმ ~ 150 მმ
გამოსაყენებელი პროდუქტების დიამეტრი (მრგვალი ბოთლისთვის) და სიმაღლე: დიამეტრი: φ25მმ ~ φ100მმ
სიმაღლე: 25მმ ~ 230მმ
მოქმედი სტანდარტული რულონის დიამეტრი (მმ): φ280 მმ
მოქმედი სტანდარტული რულონის დიამეტრი (მმ): φ76 მმ
მარკირების სიზუსტე (მმ): ± 1 მმ
სტანდარტული სიჩქარე (მ/წთ): სერვო: 5 ~ 25 მ/წთ ნაბიჯი: 5 ~ 19 მ/წთ
მარკირების სიჩქარე (ც/წთ): ნაბიჯი: 30 ~ 80 ც/წთ (ბოთლისა და ეტიკეტის ზომით)
სერვო: 40 ~ 120 ცალი/წთ
კონვეიერის სიჩქარე (მ/წთ): 5 ~ 25 მ/წთ
წონა (კგ): დაახლოებით 185 კგ
სიხშირე (HZ): 50HZ ძაბვა (V): 220V
სიმძლავრე (W): 530 W (წევის სტეპერი) 980 W (წევის სერვო)
მოწყობილობის ზომები (მმ) (L × W × H): 1950 მმ × 1100 მმ × 1300 მმ


ხის ქეისის შეფუთვა:

გაყიდვების შემდგომი სერვისი ხაზის შევსებისთვის

ჩვენ გარანტიას ვაძლევთ ძირითადი ნაწილების ხარისხს 12 თვის განმავლობაში. თუ ძირითადი ნაწილები ერთი წლის განმავლობაში ხელოვნური ფაქტორების გარეშე გაფუჭდება, ჩვენ თავისუფლად მოგაწოდებთ ან შეგინარჩუნებთ. ერთი წლის შემდეგ, თუ დაგჭირდებათ ნაწილების შეცვლა, ჩვენ გაგიწევთ საუკეთესო ფასს ან შევინარჩუნებთ თქვენს საიტზე. როდესაც თქვენ გაქვთ ტექნიკური შეკითხვა მის გამოყენებასთან დაკავშირებით, ჩვენ თავისუფლად გავაკეთებთ თქვენს მხარდაჭერას.
ხარისხის გარანტია:
მწარმოებელი გარანტიას იძლევა, რომ საქონელი დამზადებულია მწარმოებლის საუკეთესო მასალებით, პირველი კლასის მუშაობით, სრულიად ახალი, გამოუყენებელი და ყველა თვალსაზრისით შეესაბამება ამ კონტრაქტით გათვალისწინებულ ხარისხს, სპეციფიკაციას და შესრულებას. ხარისხის გარანტიის პერიოდი არის B/L თარიღიდან 12 თვის განმავლობაში.
ხარისხის გარანტიის პერიოდში მწარმოებელი უსასყიდლოდ შეაკეთებდა კონტრაქტულ მანქანებს.
თუ ავარია შეიძლება გამოწვეული იყოს მყიდველის მიერ არასწორი გამოყენების ან სხვა მიზეზების გამო, მწარმოებელი დააგროვებს სარემონტო ნაწილების ღირებულებას.
ინსტალაცია და გამართვა:
გამყიდველი აგზავნის თავის ინჟინრებს, რომ დაავალონ ინსტალაცია და გამართვა. ღირებულება იქნება მყიდველის მხარეს (ორმხრივი ავიაბილეთი, განსახლების საფასური მყიდველის ქვეყანაში). მყიდველმა უნდა უზრუნველყოს თავისი საიტის დახმარება ინსტალაციისა და გამართვისთვის.









