
- დაფარვის სიჩქარე: 15-30 ცალი/წთ
- ნომინალური ძაბვა: 110V/60Hz (აშშ სტანდარტი)
- მანქანის სიმძლავრე: 0.8 კვტ
- ამპერი: 2.2A
- გარე ზომები: 2230*1460*1600 მმ
- ჰაერის წნევა: 0,7 მპა
- წონა: დაახლოებით 300 კგ
შეტყობინება ბოთლების დაფარვის აპარატის გაშვებამდე
1: სანამ მანქანა ჩაერთვება, დარწმუნდით, რომ დენის ჩამრთველი დახურულ მდგომარეობაშია და შემდეგ მიჰყევით ინსტრუქციას.
2: თუ მანქანა დიდი ხნის განმავლობაში არ მუშაობს, ის უნდა გაიწმინდოს მშრალი ქსოვილით და არ უნდა გაიწმინდოს რაიმე კოროზიული საწმენდი საშუალებით.
3: კატეგორიულად აკრძალულია ნებისმიერი სითხის ამოფრქვევა აპარატის ელექტრო ყუთში, რათა თავიდან იქნას აცილებული შიდა ელექტრო კომპონენტების კოროზია და გამოიწვიოს მოკლე ჩართვა.
4: შეამოწმეთ აღჭურვილობის შეფუთვის სიის მოდელების მიხედვით, აღჭურვილობისა და მასალების სპეციფიკაციები და რაოდენობა, რათა დარწმუნდეთ, რომ ისინი აკმაყოფილებენ დიზაინისა და პროდუქტის სტანდარტების მოთხოვნებს და თან ახლავს შესაბამისობის სერთიფიკატებს.
5: შეამოწმეთ აღჭურვილობის გარეგნობა, რათა დარწმუნდეთ, რომ იგი არ არის რაიმე დეფორმაციის, დაზიანებისა და კოროზიისგან, და ყველა შტრიხები, რომლებიც მოქნილად უნდა ტრიალდეს ყოველგვარი ბლოკირების გარეშე.
6: ეს მანქანა მუშაობს ერთფაზიანი AC 110V-ზე და ბრტყელი 3-ფეხიანი დენის შტეფსელი უნდა იყოს ჩართული დენის ბუდეში დამიწების მავთულით.
ტექნიკური პარამეტრები

- დაფარვის სიჩქარე: 15-30 ცალი/წთ
- ნომინალური ძაბვა: 110V/60Hz (აშშ სტანდარტი)
- მანქანის სიმძლავრე: 0.8 კვტ
- ამპერი: 2.2A
- გარე ზომები: 2230*1460*1600 მმ
- ჰაერის წნევა: 0,7 მპა
- წონა: დაახლოებით 300 კგ
გადახურვის მანქანა დეტალურად:



აპარატის სტრუქტურები

ოპტიკური ბოჭკოვანი ელექტრული თვალის აღწერა
ელექტრული თვალი ბოთლების გამოსავლენად:

როდესაც ის მუშაობს ავტომატურ რეჟიმში, ამ ელექტრო თვალის დანიშნულება არის შემომავალი ბოთლების აღმოჩენა.
როდესაც შემომავალი ბოთლი აღმოჩენილია, "ტურნიტი" ბრუნავს.
სახურავი-მიწოდების ელექტრო თვალი

როდესაც ის მუშაობს ავტომატურ რეჟიმში, ამ ელექტრული თვალის დანიშნულებაა შემომავალი საფარის აღმოჩენა.
როდესაც შემომავალი სახურავი აღმოჩენილია, "გატანის მექანიზმი" ამოდის მასალის აღებისთვის.
სახურავი-მიწოდების ელექტრო თვალი

როდესაც ის მუშაობს ავტომატურ რეჟიმში: ამ ელექტრო თვალის დანიშნულებაა შემომავალი ბოთლების აღმოჩენა.
როდესაც შემომავალი ბოთლი აღმოჩენილია, „ჩამკეტი თავსახურის მექანიზმი“ აბრუნებს საკეტის თავსახურს ქვემოთ.
გადართვის ღილაკი და გაყვანილობის პორტი
სენსორული ეკრანი და გადაუდებელი გაჩერება

შესანახი ძრავის და სახურავის ვიბრაციის ფირფიტის კონტროლერი

ვიბრაციის ფირფიტის კონტროლერი

ვიბრაციის ფირფიტის კონტროლერი: ძაბვის რეგულირებით, დაარეგულირეთ გამონადენის სიჩქარე.
დენის გადამრთველი და სოკეტები

ძრავის კონტროლერი

სიხშირის ტრანსფორმატორი: სიხშირის ტრანსფორმატორის ღილაკის რეგულირებით, დაარეგულირეთ ძრავის სიჩქარე.
სიგნალიზაცია და პრობლემების გადაჭრის მეთოდი:
1. დაჭერილია გადაუდებელი გაჩერება. დააწკაპუნეთ გადაუდებელი გაჩერებები აპარატის თავსახურზე და სენსორული ეკრანის გვერდით.
2. გამომავალი აღწევს დადგენილ მნიშვნელობას. დააყენეთ გამომავალი, დააჭირეთ გასუფთავების ღილაკს მიმდინარე გამომავალი გასასუფთავებლად.
3. როდესაც თავსახური არ არის აღმოჩენილი დიდი ხნის განმავლობაში, გთხოვთ შეამოწმოთ. შეამოწმეთ ბოთლის თავსახურის ინდუქციური ბოჭკო, არის თუ არა ის კარგად მოწოდებული. შეამოწმეთ თავსახური თუ არა.
4. როდესაც ბოთლები არ არის აღმოჩენილი დიდი ხნის განმავლობაში, გთხოვთ შეამოწმოთ. შეამოწმეთ, არის თუ არა ბოთლები ადგილზე.
თვალის ელექტრო რეგულირება:
გამაძლიერებლის სტრუქტურა

ოპტიკური ბოჭკოების დიაგრამა:

1. ოპტიკური ბოჭკოვანი საკეტის ზოლი
2. ოპერაციული სტატუსის მაჩვენებელი
3. კომპლექტი
4. DSC ინდიკატორის ნათურა
5. ციფრული მონიტორი
6. ხელით ღილაკი
7. გაფართოებული დამცავი საფარი
8. გაფართოების კონექტორი
9. დენის სელექტორის გადამრთველი
10. რეჟიმის ღილაკი
11. გამომავალი ამომრჩევი
12. კაბელები
13. მტვრისგან დამცავი
14. დააყენეთ მნიშვნელობა (მწვანეში)
15. მიმდინარე მნიშვნელობა (წითლად)
სამუშაო პროცესი ბოჭკოვანი ოპტიკური პარამეტრისთვის
- როდესაც ელექტრული თვალი ხვდება უფსკრული, წითელი დენის მნიშვნელობა არის 144.
- როდესაც ელექტრო თვალი ეცემა ეტიკეტზე, წითელი დენის მნიშვნელობა არის 4.
- დაარეგულირეთ დაყენებული მნიშვნელობა", მნიშვნელობის დაახლოებით 1/2, რაც ელექტრო თვალი არის სხეულის ქაღალდზე (აღსანიშნავ ობიექტებს შორის უფსკრული) და ელექტრული თვალის ქაღალდზე დაყენებული მნიშვნელობა არის (144). 4)/2=74, დაარეგულირეთ ხელით ღილაკი, რათა დაყენებული მნიშვნელობა იყოს 74.
- გადაიტანეთ ეტიკეტის უფსკრული წინ და უკან ელექტრო თვალის ადგილას და წითელი „სიგნალის შუქი/მაჩვენებელი შუქი“.
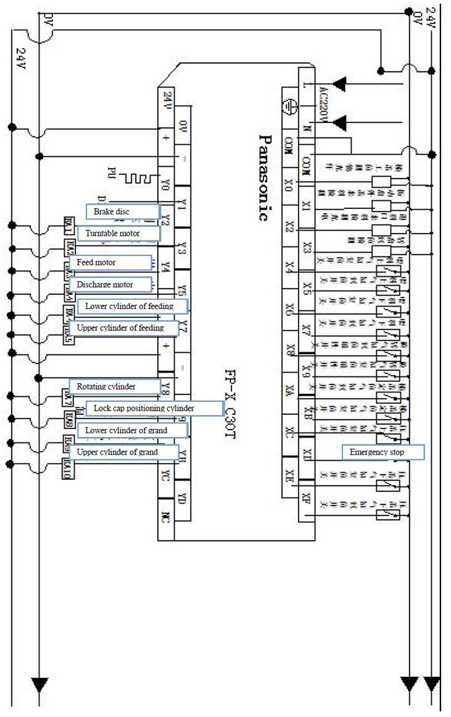
მიკროსქემის დიაგრამა



სარემონტო ბოთლების გადახურვის მანქანა

1. აუცილებელია აპარატის შემოწმება და შენახვა, რათა მოხდეს მანქანის გახანგრძლივება და აპარატის ფუნქციის ოპტიმიზაცია;
- სამუშაო მანქანა უნდა იყოს შენახული ყოველ სამ თვეში;
- ტარების და გადაცემათა გადაცემის ნაწილი უნდა იყოს შეზეთილი ცხიმით;
- შეზეთვა უნდა მოხდეს პერიოდულად;
- სასრიალო ზეთი (N68) უნდა დაემატოს ნაწილს, როგორიცაა ორმხრივი მექანიზმის მოძრაობა ან აწევა დღეში ორჯერ;
- ავტომობილის ზეთი (N68) უნდა დაემატოს მბრუნავ ან მოძრავ ნაწილებს;
- ყოველ ნახევარ თვეში დაამატეთ ცხიმი კამერის ჭრილში;
- ყოველთვიურად ერთხელ ზეთის საქშენისთვის ცხიმის დამატებით;
2. არასოდეს გამოიყენოთ ლითონის ხელსაწყოები იმ ზედაპირზე, სადაც შემაკავშირებელია კონგლომერირებული, როგორიცაა კომპონენტები ან ყალიბი.
3. თუ მანქანა დიდხანს წყვეტს მუშაობას, დაამატეთ ცხიმი შეზეთვის ნაწილებში, როგორიცაა გადაცემათა კოლოფი ან ტარების ნაწილი; ასევე დაამუშავეთ მანქანა წყალგაუმტარი დაცვით.
4. არასოდეს დადოთ რაიმე ნივთი მანქანაზე, რათა არ დაზიანდეს მანქანა.
5. პერიოდულად გაასუფთავეთ კომპონენტების შიგნით მტვერი, ასევე შეამოწმეთ ყველა ხრახნი და დააფიქსირეთ გაფხვიერებული ხრახნი.
6. შეამოწმეთ ტერმინალებში ხრახნები გაყვანილობისთვის გარკვეულ დროს და დარწმუნდით, რომ ხრახნი დამაგრებულია;
7. შეამოწმეთ, არის თუ არა რაიმე ფხვიერი სადგური ელექტრო ყუთებიდან გაყვანილ გაყვანილობის გზაზე; თუ ნაწილი ძალიან ფხვიერია, ხელახლა შეასწორეთ ხრახნი, რათა თავიდან აიცილოთ აბრაზია ან დაზიანება საიზოლაციო ფენაში, რამაც შეიძლება გამოიწვიოს ელექტრო გაჟონვა.
8. შეამოწმეთ ადვილად ნახმარი ბალიშები და დროულად შეცვალეთ დაზიანებული;









