
- თავსახურები: 2 ცალი სერვო-მოტო მამოძრავებელი
- ძაბვა: 220V, 50/60HZ;
- სიმძლავრე: 3.0 კვტ
- ჰაერის წნევა: 0,5–0,7 მპა
- ამპერი: 8.5A
- სიჩქარე: 40-45/წთ (მორგებულია ქილების ფორმისა და ზომის მიხედვით)
- შესაფერისი პროდუქტის დიამეტრი: φ28-φ125 მმ ხუფები (არასტანდარტული მორგებული)
- ჯირკვლის გავლის მაჩვენებელი: ≥99.5% (დამოკიდებულია სახურავისა და ბოთლის შეცდომის მიხედვით)
- აპარატის ზომა: 3300*1150მმ*1908მმ
- წონა: 450 კგ
სანამ ჩართავთ მანქანას. გთხოვთ, ყურადღებით წაიკითხოთ ეს სახელმძღვანელო უსაფრთხოების საკითხებზე და აპარატის სწორად გამოყენებისთვის. პერსონალის ავარიების თავიდან ასაცილებლად და მანქანების დაზიანების სიხშირის შესამცირებლად.
კოროზიული პროდუქტების შემთხვევაში, იზრუნეთ, რომ თავიდან აიცილოთ კოროზიული ობიექტების შეხება ან ჩამოსხმა თავად მანქანასა და პერსონალზე.
- მოერიდეთ აპარატის გამოყენებას ვიბრაციის ან შეჯახების ადგილებზე.
- როდესაც მანქანა მუშაობს, პერსონალის სხეული ვერ ეხება მოძრავ ნაწილებს.
- მანქანა თავიდან უნდა იქნას აცილებული ზედმეტად ნოტიო ადგილებში. და შეიტანეთ იგი ელექტრომომარაგებაში, დამიწების მავთული სწორად დამიწებული, უსაფრთხოების ავარიის თავიდან ასაცილებლად.
- ოპერატორმა უნდა შეინარჩუნოს ნორმალური ფიზიკური და გონებრივი მდგომარეობა. თუ იღებთ ალკოჰოლს, საძილე აბებს ან სხვა წამლებს, რომლებიც საზიანოა თქვენი ფსიქიკური მდგომარეობისთვის, შეწყვიტეთ აპარატის მუშაობა.
- ოპერატორმა უნდა ატაროს შესაბამისი ტანსაცმელი, რათა თავიდან აიცილოს ტრავმა, რომელიც გამოწვეულია ტანსაცმლის მოძრავ ნაწილებში ჩართვით და არ უნდა მოათავსოს რაიმე ზედმეტი ნივთი მანქანაზე.
- თუ ხმაური ან სხვა დარღვევები წარმოიქმნება გამოყენების დროს, დაუყოვნებლივ გააჩერეთ და შეამოწმეთ. არაინჟინერიის ტექნიკოსები, გთხოვთ, თვითნებურად არ გადაიტანოთ მანქანის ნაწილები.
- რეგულარული (კვირაში ერთხელ) მოვლა და მოვლა, წყლის ან სითხის ჩამოსხმის თავიდან აცილება და ელექტრონული კონტროლის ყუთები ან სხვა ელექტრო კომპონენტები მანქანის გაწმენდისას.
- გთხოვთ იმოქმედოთ ნორმალური ოპერაციული პროცედურების შესაბამისად და შეინარჩუნოთ აპარატის ზედაპირი სუფთა და მოწესრიგებული.
კაპერის მანქანა გამოიყენება შეფუთვის პროცესში ყველა სახის კოსმეტიკური, მედიცინის, ვეტერინარული მედიცინის, პესტიციდის, საპოხი ზეთის და სხვა სამრეწველო დარგებზე.





ქილების გადახურვის მანქანის პრინციპი და მახასიათებლები:
- ელექტრო ავტომატური კონტროლი, სტაბილურია;
- დახურვის პოზიციონირების მოწყობილობით, ჩაკეტილი საფარის სტანდარტით, ოპერაცია მოსახერხებელია;
- საკეტი ფარავს ფართო დიაპაზონს, შეუძლია დაატრიალოს სხვადასხვა ფორმის ქუდის სპეციფიკაციები;
- დახურვის სიჩქარე, დატრიალების ციხე, ერთდროულად შეიძლება ასევე საჭიროების მიხედვით შეცვალოს გადახვევის შებოჭილობა.


კოსმეტიკური ქილების დაფარვის აპარატის ძირითადი პარამეტრები:

1. თავსახურები: 2 ცალი სერვო-მოტო მამოძრავებელი
2. ძაბვა: 220V, 50/60HZ;
3. სიმძლავრე: 3.0Kw
4. ჰაერის წნევა: 0,5--0,7მპა
5. ამპერი: 8.5A
6. სიჩქარე: 40-45/წთ (მორგებულია ქილების ფორმისა და ზომის მიხედვით)
7. შესაფერისი პროდუქტის დიამეტრი:φ28-φ125მმ ხუფები (არასტანდარტული მორგებული)
8. ჯირკვლის გავლის მაჩვენებელი:≥99.5% (დამოკიდებულია სახურავისა და ბოთლის შეცდომიდან)
9. აპარატის ზომა:3300*1150მმ*1908მმ
10. წონა: 450 კგ
მასპინძლის ნაწილის აღწერა


დენის გადამრთველი: აკონტროლეთ კვების წყაროს ჩართვა---გამორთვა.
დენის ინდიკატორი: ჩართვა-მწვანე შუქი ჩართულია, გამორთვა---მწვანე შუქი გამორთულია.
გადაუდებელი გაჩერება: გამოიყენება აპარატის დაუყოვნებლივ გასაჩერებლად ან ფუნქციის გადატვირთვისთვის საგანგებო ან გაუმართაობის დროს.
1. დაიწყეთ ფოტოელექტრო: მანქანა მუშაობს, როდესაც ფოტოელექტრული დეტექტორი აღმოაჩენს, რომ არის ბოთლი და აქვს თავსახური, მბრუნავი მაგიდა შეიძლება დაიწყოს მუშაობა. თუ ორი ფოტოელექტრიკიდან ერთ-ერთი არ არის გამოვლენილი, მბრუნავი მაგიდა არ ბრუნავს.
2. წარმოშობის ფოტოელექტრული: იგი გამოიყენება საფეხურის ძრავის გასაკონტროლებლად, რათა მართოს გრუნტი მაგიდის პოზიციონირება, რათა ბოთლი შეუფერხებლად იყოს ჩასმული საფარში.
3. თავსახურის ფოტოელექტროენერგია: შეამოწმეთ, არის თუ არა საფარი თავის ადგილზე და ფოტოელექტრიულად დააფიქსირეთ, რომ არის გადასაფარებელი მბრუნავი მაგიდა.
4. საფარის ფოტოელექტროენერგია: ზედა საფარის აპარატის გაშვებისა და გაჩერების კონტროლი, როდესაც ზედა საფარის აპარატის მიერ მოწოდებული საფარი დალაგებულია ფოტოელექტრის მიერ აღმოჩენილ პოზიციაზე, ფოტოელექტროენერგია ყოველთვის ნათელია, საფარი მანქანა ჩერდება საფარისთვის და ინტელექტუალური საფარი დანერგილია. .
5. საკეტის საფარის ფოტოელექტროენერგია: როდესაც ბოთლი თავსახურით გადის, გამოვლენილია ფოტოელექტრული გამოვლენა და საკეტის საფარი ამოქმედდება მითითებული შეფერხების დროის მიხედვით (კონვეიერის ქამარი რეგულირდება კონკრეტული პარამეტრების მიხედვით, როდესაც მანქანა რეგულირდება).
6. საკეტის საფარის სისტემა: ბოთლი თავსახურით იგივეა, ფოტოელექტრული დაწყების შეფერხება, ცილინდრის დამჭერის ბოთლში შეფერხება, საკეტის თავსახური ჩამოწეულია, მჭიდის საფარი - ხრახნიანი თავსახური - მჭიდის გათავისუფლება - საკეტის თავსახური მაღლა დგას - სამაგრის ბოთლი იხსნება, და საკეტის თავსახურის პროცესი დასრულებულია.საკეტის ყდაში, როდესაც 1# საკეტის საფარი საკეტის ყდაშია, შემოდის კიდევ ერთი ბოთლი. ამ დროს 2# სამაგრი ბოთლის ცილინდრი მოძრაობს და 2# საკეტის საფარი ჩართულია საფარის ჩასაკეტად. (როდესაც 2# საკეტის თავით ჩაკეტილი თავსახური გადის 1# სამაგრის ბოთლს, არ გაიმეოროთ საკეტის საფარი.

კაცი-მანქანის ინტერფეისის აღწერა

ჩატვირთვის გვერდი
3.1 ჩატვირთვის გვერდს აქვს ინგლისური, ჩინური ოპერაციების შერჩევა, თუ აირჩევთ ჩინურ ღილაკს, შეიყვანეთ შემდეგი ინტერფეისი:

მეორე ინტერფეისი
შეჩერება: მთელი აპარატის გაშვების ჩამრთველი, შეეხეთ ამ კლავიშს, მანქანა მუშაობს ავტომატურ რეჟიმში, კვლავ შეეხეთ ამ კლავიშს, მანქანა წყვეტს მუშაობას.
ტესტის კარი: შეამოწმეთ აპარატის მუშაობა.
შემობრუნების სიჩქარე: რაც უფრო დიდია სიჩქარის პარამეტრი, მით უფრო მაღალია სიჩქარე, მით უფრო ნელია სიჩქარის პარამეტრი. (მაგრამ არსებობს მაქსიმალური ლიმიტი).
შემობრუნების დაყოვნება: გრუნტიანი დაწყების დროის პარამეტრები, მბრუნავი მაგიდის გაშვების გლუვი ეფექტის დაყენების შესაბამისად.
დაფარვის შეფერხება: მბრუნავი მაგიდის შემდეგ დანიშნულ სადგურამდე გადადეთ ლოდინის დრო, ცილინდრის მოქმედების თავსახური.
დახურვის დრო: ცილინდრის დალუქვისთვის საჭირო დრო.
გამომავალი: შეავსეთ ჩანაწერი საკეტის საფარის რაოდენობის, მოსახერხებელი წარმოების რაოდენობის შესახებ. გასასუფთავებლად დააჭირეთ გადატვირთვის ღილაკს.
X1. X3. X14: შეამოწმეთ არის თუ არა ფოტოელექტრიკა ასახვის სამუშაო მდგომარეობაში, ადვილი შესამჩნევია მანქანის მდგომარეობის მუშაობა,
დაფარვის პარამეტრი: დააჭირეთ ამ ღილაკს და შედით შემდეგ ინტერფეისში:

ინტერფეისი არის პარამეტრის გვერდი, რომელიც დაყენებულია 1 # საკეტის თავის თითოეული მოქმედებისთვის სერვო საკეტის საფარის სისტემაში, პარამეტრების გონივრული დაყენება სასარგებლოა აპარატის სტაბილურობისთვის და ეფექტურობის გაუმჯობესებისთვის.
დაბრუნება: დააჭირეთ ამ ღილაკს მეორე ინტერფეისზე დასაბრუნებლად.
I/O: დააჭირეთ ამ ღილაკს შემდეგ ინტერფეისში შესასვლელად:

X სერიის წერტილები: არის შეყვანის წერტილი იმის დასადგენად, არის თუ არა ფოტოელექტრიკა მუშა მდგომარეობაში, ადვილი შესამჩნევია აპარატის მუშაობა, მარტივი მოვლა.
Y სერიის წერტილები: არის გამომავალი წერტილი აღმასრულებელი კომპონენტების ნორმალური მდგომარეობის გამოხმაურება, ასევე შეგიძლიათ ხელით დააჭიროთ საკონტროლო ღილაკს შესამოწმებლად არის თუ არა შესრულების კომპონენტები ნორმალური.
ქუდის მიმწოდებლის სისტემა: შეიძლება იყოს სტაბილური და მოწესრიგებული დაფარვის დადგენილი მიმართულების მიხედვით.
დახრის რეგულირება: გონივრული კუთხის რეგულირება შესაძლებელია იმისათვის, რომ აკონტროლოთ საპირისპირო სახურავი არ ასვლა სლაიდში.
სიხშირის გადამყვანის რეგულირება: აკონტროლეთ საფარის სიჩქარე.


ქილების საფარის აღჭურვილობის მოვლა:
1. შეინახეთ მანქანა გათიშვისა და გაზის გამორთვის პირობებში უსაფრთხოების უზრუნველსაყოფად. შეინახეთ მანქანა სისუფთავე და მოწესრიგებული, არავითარი წვრილმანი, მცირე ნივთები, აქსესუარები, ჭანჭიკები და ა.შ.
2. და საპოხი ზეთი რეგულარულად ემატება მოძრავი ნაწილის მექანიზმს მექანიზმის კარგი მუშაობის უზრუნველსაყოფად.
3. რეგულარულად გამოუშვით წყალი ჰაერის ფილტრის განყოფილებიდან და დაამატეთ საპოხი ზეთი, რათა უზრუნველყოთ ცილინდრის სწორად გამოყენება და გახანგრძლივოთ მომსახურების ვადა.
4. რეგულარულად შეამოწმეთ და შეაკეთეთ მანქანა. შეაფასეთ აღჭურვილობის მუშაობის მდგომარეობა მხედველობისა და ყურის საშუალებით, რათა დარწმუნდეთ, რომ მანქანა კარგად მუშაობს.
შენიშვნა: გთხოვთ გამოიყენოთ და შეინარჩუნოთ ინსტრუქციის მკაცრი დაცვით, საგარანტიო პერიოდი მკაცრად აკრძალულია გახსნა და დაშლა, წინააღმდეგ შემთხვევაში ამით გამოწვეული ზიანი, როგორც ადამიანის დაზიანება, არ არის უფასო შეკეთება. ეს ინსტრუქცია ექვემდებარება ცვლილებას გაფრთხილების გარეშე; თუ ჯერ კიდევ არსებობს რაიმე გაურკვევლობა ამ აპარატის მუშაობასთან დაკავშირებით, გთხოვთ დაგვიკავშირდეთ ნებისმიერ დროს შეკითხვებისთვის
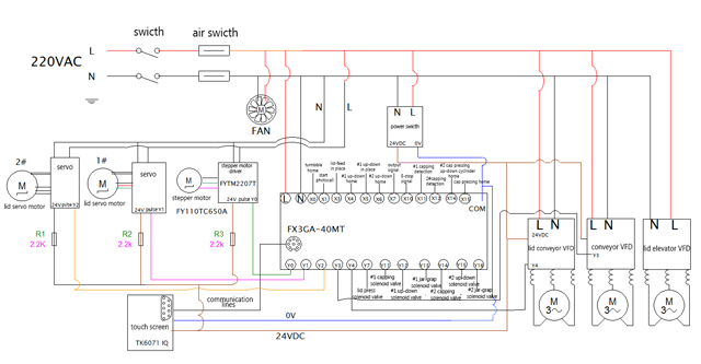
თანდართული ელექტრო სქემა:

დასრულებული დალუქული თავსახურების ნიმუშები ქილების გადახურვის მანქანაზე:





ნიშნები: რადგან კვადრატული შავი ქილები თავსახურების გამო დაკაწრულია, იგი შექმნილია აკრეფის სისტემით, რათა ამოიღოს ქილების თავსახურები უჯრებიდან და მოათავსოს ისინი თავსახურისთვის მზა სადგურში დახურვის პროცესისთვის. მუშაობის დეტალური პრინციპი ილუსტრირებულია შემდეგნაირად: სამუშაო პროცესი:
1. თავსახურების უჯრაში ჩასმა ხელით (15*15 ან 10*10)

2. უჯრების მოთავსება მზა პიკაპის სადგურში
3. რობოტები იღებენ ქილებს

4. ბოთლების განლაგება და დაფარვის პროცესის დასრულება
5. თავსახური ქილების გამომავალი











